Simon Paja
Princeton Reverb
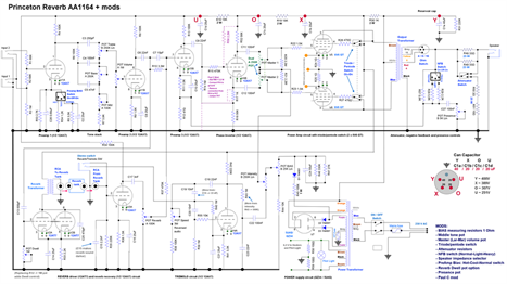
Tässä tehdään nyt Princeton Reverb. Pohjana Fender AA1164 schema.
Siinä on osasijoittelua.
Ja kytkentäkaavio. Tasasuuntausputkeksi tuli tällä kertaa GZ34 eikä 5U4G kuten alkuperäisessä. Tube Amp Doctor myy Princetonin pienosapakettia ilman muuntajia, putkia ja runkoa. Tube Town puolestaan myy sopivaa runkoa johin rakennan tämän.
Turretlevylle juotettu nastat ja niihin komponentit. Lisäsin kytkentään myös BIAS-potikan helpottamaan tulevia putkien vaihtoja.
Etuseinän potikkarivi, On-Off-kytkin, merkkivalo ja input-jackit. Kytkentään on lisätty mm. Middle-säätö ja Master Volume.
Takaseinään tulee virtajohdon reikä, sulakkeet, triodi/pentodi-kytkin, impedanssin valintakytkin, tehovastukset vaimennuskytkennälle, vaimennuskytkin, kaiutinliitin, Presence-potikka, NFB-kytkin (normal-light-heavy), esiasteen BIAS-valinnan kytkin (hot-cool-normal), Dwell-potikka kaiulle ja tremolon/kaiun kytkinten liitin.
Johdotukset alkaa olla valmiit.
Nyt alkaa olla valmistumaisillaan ja odottaa laittoa koteloon.

Käytän tähän muuntajat, putket ja muitakin osia aikaisemmin kasaamastani Tweedle Dee-vahvistimesta joka ei ollut minun mieleen.

Mulla on kuitenkin jo yksi 5E3-kytkennällä tehty Tweed Deluxe joka on tosi mukava.
Sinne mahtui ja nyt testaamaan.